详细信息 (神马影视免费观看)

"神马影视高清" CHD03液压凿岩台车

来源:2016-05-03
分享到:

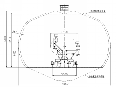
CHD03液压凿岩台车是一种采用钻爆法施工的专用液压凿岩设备,主要用于矿山开采,隧道及地下工程施工,能方便移动,支持三台液压凿岩机同时进行钻孔作业,作业覆盖面积大,钻孔范围广,传动系统,液压系统及动力系统均采用国际优质元件,液压系统具有防空打,防卡钎和自动退钎功能,可有效提高钻具使用寿命和钻孔效率 神马影视,整机具有工作效率高,钻孔定位准确,结构强度高及使用寿命长等特点。

²作业效率高

可升降的翼式臂座,在四个多级油缸推动下可实现0°~120°转动,可举升3400mm 神马影视在线,整个机构安全平稳,配合钻臂,推进器可实现大断面钻孔.

采用进口大功率中压高频冲击液压凿岩机DF550L,作业效率高,冲击力大,回转扭矩大 神马影视高清,使用寿命长,回转中心至机顶距离仅为84mm,外插角小。

钻孔定位准确

钻臂采用两组三角油缸组成的双四面体结构,可实现精准定位和钻机推进器保持平行 神马影视免费观看.

推进器采用重型铝合金U型梁,自重轻,抗弯,抗扭强度高 神马影院,使用寿命长。

结构强度高

车架及翼式臂座采用箱型结构 神马在线,钻臂采用优质铸钢件,强度高,抗疲劳,使用寿命长.

底盘选用进口优质柴油发动机和重载驱动桥。